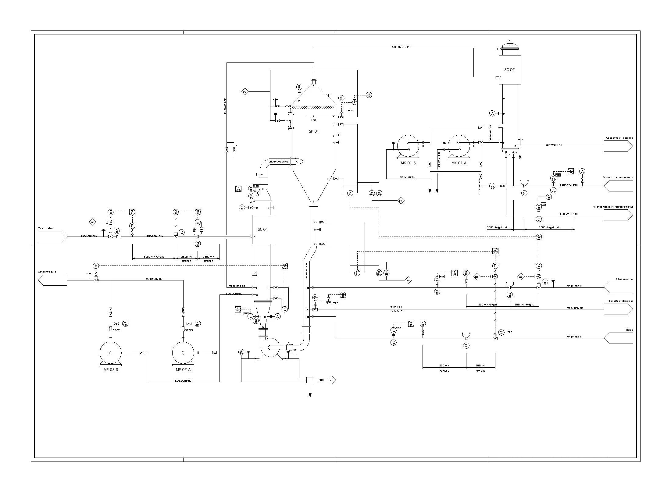
P&ID.JPG

Design

Process Design & Integration

Our team will work with you to ensure your process design is complete, efficient, compliant, safe and completed on time.

When all that is done, we will help with everything from integration to training and support.

  • Request a quote